Approved Anywhere In USA

From NEC-compliant designs to AHJ-ready documents, Solatronics handles everything. Just share your basic info and receive a complete U.S. permit package built for fast approval and smooth installation.

Schedule a Booking

From Permits to Engineering

We Handle Everything for You

At Solatronics, we know how overwhelming the U.S. permitting process can feel as different AHJs, different codes, endless drawings, and constant back-and-forth. That’s exactly why we built a service that removes all the stress from your shoulders. Just send us the minimum information, and our engineering, CAD, and compliance experts take care of every detail with accuracy and speed.

Minimum information required from you
Fast turnaround (24–48 hours depending on project)
Industry-standard engineering and CAD team
AHJ-ready documentation, formatted for your city or county
Compliant with NEC, IRC, IBC, and all local requirements
Perfect for installers, homeowners, and EPC companies
Affordable and scalable for any project size
Solar Permit plan
Screenshot 2025 11 30 165410

How It Works

Fastest Path to Solar PV Permitting

Basic Site Info

Share the basics: project address, utility bill, selected solar panels/inverters, roof photos, and any available specs. That’s all we need to get started.
STEP 1

Design & Engineer Your Entire System

Our expert team produces high-accuracy solar plansets, electrical diagrams, structural reports, and AHJ-ready permit documents tailored to your local codes.
STEP 2

Your Permit is Ready

You’ll receive a professional permit-ready package that you can submit directly to your local authority. Once approved, order your gear from SolaTronics and begin your hassle-free installation.
STEP 3
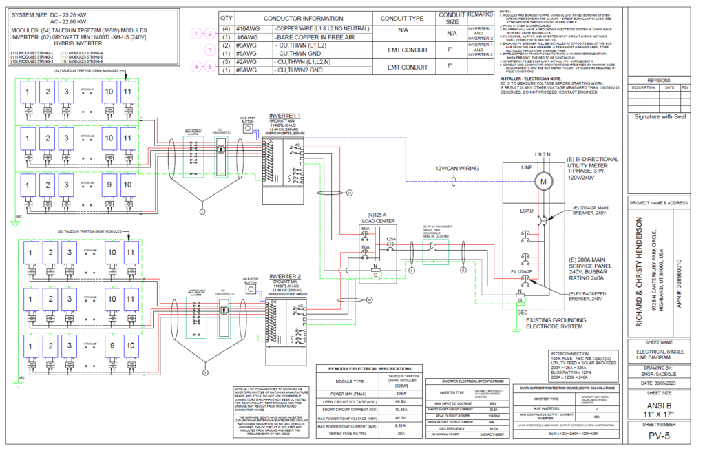
Three Line Diagram For Solar Permit

AHJ-Ready Solar Permit Package

Solatronics provides premium-quality solar permit packages engineered to eliminate delays, reduce AHJ rejections, and support smooth installations. Every document is created by certified professionals who understand US building codes, utility requirements, and modern solar design standards.

Your permit set is custom-built, so not auto-generated, so you always get precise, inspector-approved documentation.

What's Included?

BASIC PERMIT PLAN

Perfect for small residential projects and quick approvals.

$250 $150

PREMIUM PERMIT PLAN

Ideal for installers who want a fully engineered permit plan without any conditions.

$400 $280

ELITE PERMIT PLAN

Discounted when you purchase products from Solatronics

$400 $99

Do you have questions?

call or text today, we are here to help!

Main Menu